摩斯国际·(中国区)官方网站
首页
关于摩斯国际·(中国区)官方网站
公司简介
组织机构
荣誉资质
企业文化
新闻资讯
公司资讯
环境动态
环保告示
业务领域
工业废物处理
园区开发建设
环保应急处理
环保咨询服务
江碧产业园
产业园规划
废水处理厂
生产示范园
沙井基地
基地概况
历史沿革
人力资源
人才理念
人才招聘
联系摩斯国际·(中国区)官方网站
新闻资讯
公司资讯
环境动态
环保告示
公司资讯
首页
> 公司资讯
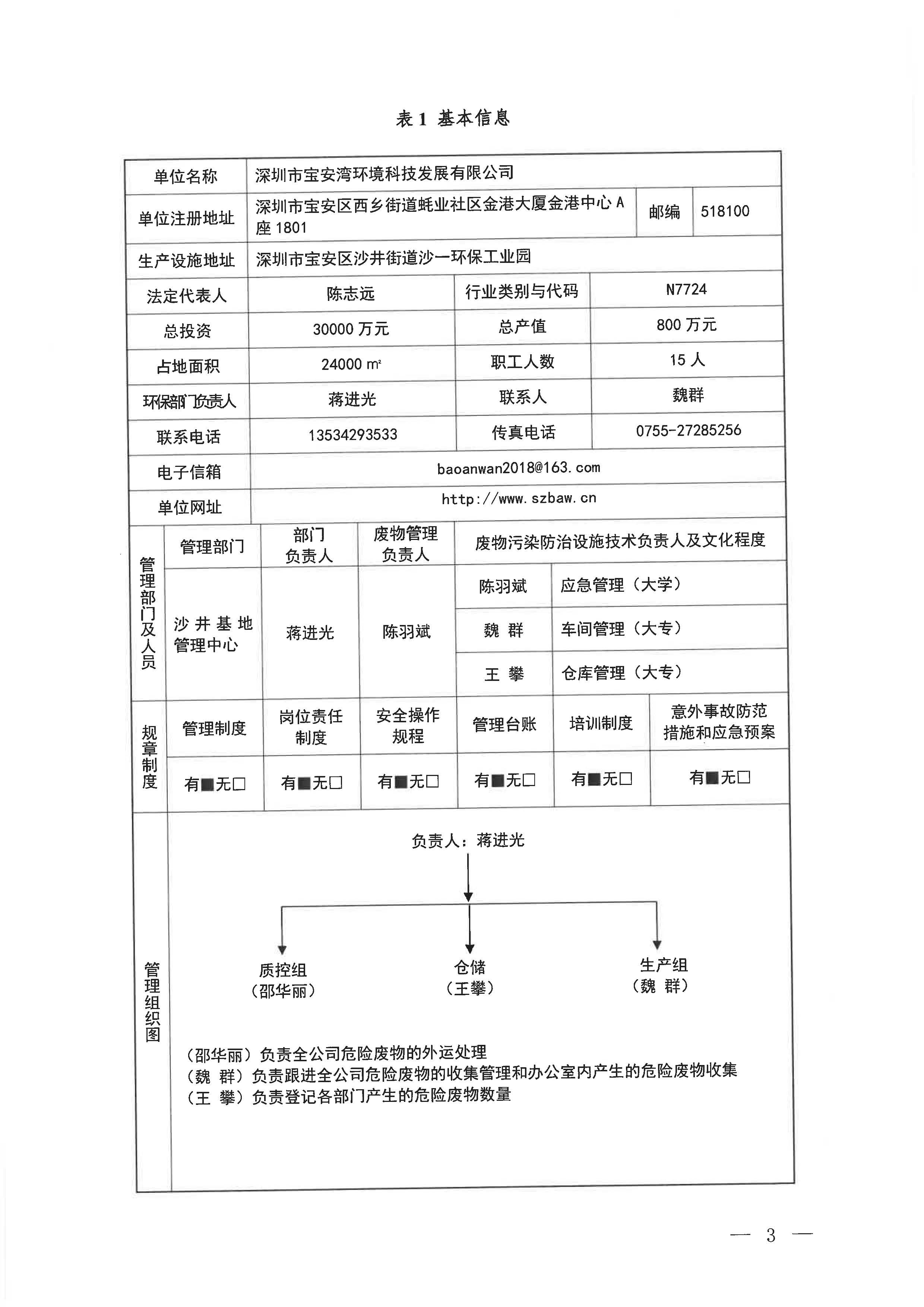
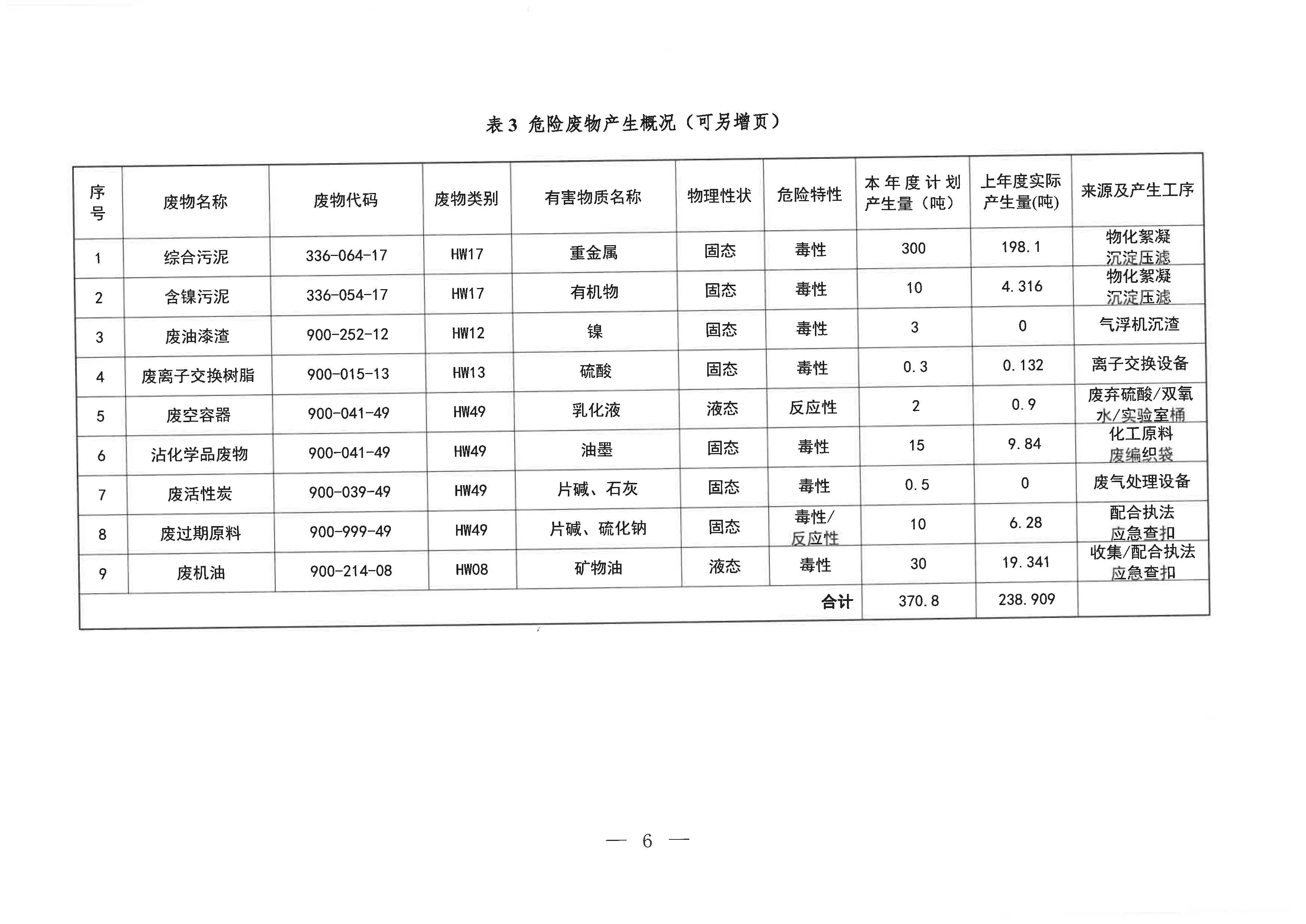
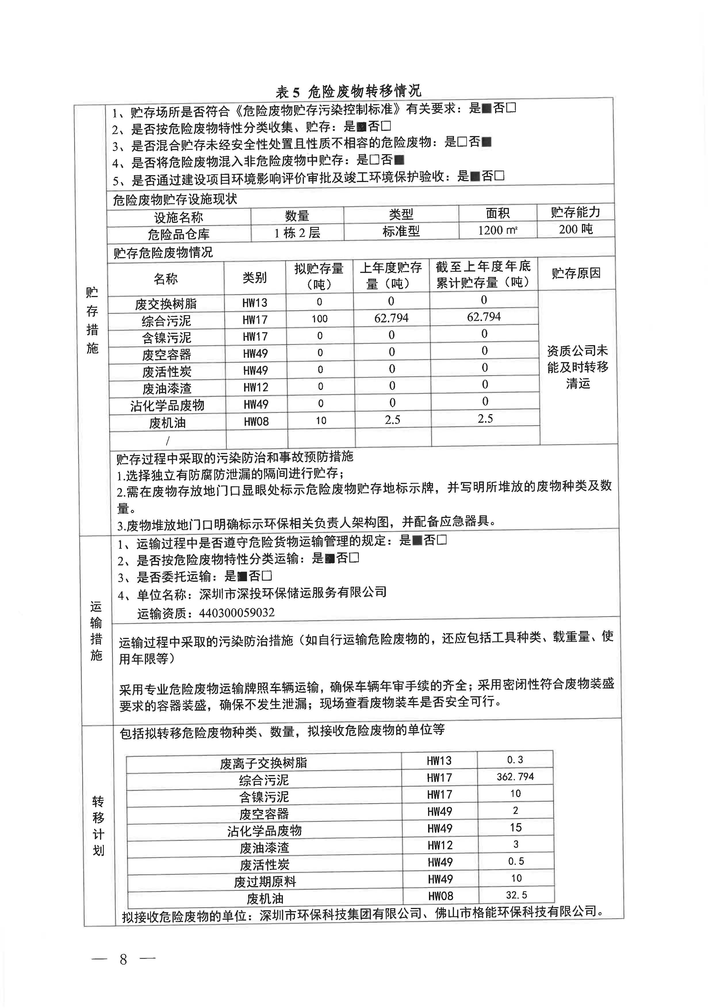
摩斯国际·(中国区)官方网站 -环境信息公开表
发布日期:2023-02-27 作者: 来源:szbaw
上一篇 :摩斯国际·(中国区)官方网站 沙井基地管理中心2022年10月份药剂采购竞价成交公告
下一篇 :摩斯国际·(中国区)官方网站 沙井基地综合楼电缆采购及安装项目询价结果的公示
关于摩斯国际·(中国区)官方网站
公司简介
组织机构
荣誉资质
企业文化
新闻资讯
公司资讯
环境动态
环保告示
业务领域
公司简介
组织机构
荣誉资质
企业文化
江碧产业园
产业园规划
废水处理厂
生产示范园
沙井基地
基地概况
历史沿革
人力资源
人才理念
人才招聘
© 2019 摩斯国际·(中国区)官方网站 ,备案/许可证号
法律说明
在线客服
在线咨询
电话咨询
0755-27085256
18138820551 陈生
18138825570 蒋生
18838869917 温生
18138825253 周生
微信公众号
在线客服
在线咨询
电话咨询
0755-27085256
18138820551 陈生
18138825570 蒋生
18838869917 温生
18138825253 周生
微信公众号